Hansgrohe

hansgrohe Talis M54 køkkenarmatur m/L-tud - Rustfrit stål

hansgrohe Talis M54 køkkenarmatur m/L-tud - Rustfrit stålhansgrohe Talis M54 køkkenarmatur m/L-tud - Rustfrit stål
Antal
Fragt: 65,-
1.939,-
VVS-nummer:705847560
Varenummer:72840800
Leveringstid:1-2 hverdage
Farve:Rustfrit stål, børstet
Betjening:1 greb
Udtræksbruser:Uden udtræksbruser
Vandspare:Uden vandsparer
Fri fragt fra 4.995,-

hansgrohe Talis M54 køkkenarmatur m/L-tud - Rustfrit stål

Elegant design-køkkenarmatur med praktisk svingfunktion i robust rustfrit stål-optik

Når der er fart på i køkkenet, så er hansgrohe Talis M54 1-grebs køkkenarmatur 270 til at stole på. Takket være ergonomisk betjening og mange nyttige funktioner bliver køkkenarbejdet nemmere.

Det moderne minimalistiske design imponerer med et slankt, nordisk udtryk. Alle elementer smelter elegant sammen i den slanke silhuet. Overfladen i rustfrit stål-optik er særlig modstandsdygtig og ridsefast (PVD-teknologi).

Nyttige funktioner

  • Vandmængde og -temperatur styres af en keramisk kartusche fra hansgrohe. Den krystalklare laminarstråle fylder hurtigt store gryder med op til 8 l/min. Grebet betjenes stadig let selv efter hyppig brug og fungerer uden at vakle (Boltic-grebslåsning).
  • Specielt praktisk og sikker: Tuden har et svingningsområde med fire forskellige trin (60°, 110°, 150° eller 360°). Dette fremmer ergonomisk arbejde og forhindrer, at vandet løber ud over vasken.

Nem montering

  • Det gennemprøvede hansgrohe bespændingssæt sikrer hurtig installation og stabil fastgøring til vasken
  • Fleksible slanger, certificeret til brug med drikkevand (G ⅜/DN15) til nem tilslutning til standard stopventil
  • Med den L-formede tud passer armaturet perfekt under overskabe

Andre specielle funktioner

  • Ren: Kalkrester kan nemt fjernes fra tuden ved blot at gnide hen over silikoneindsatsen (QuickClean)
  • Alsidig: Også egnet til gennemstrømsvarmer
  • Eftersalgsgaranti: Reservedelene kan fås i op til 15 år efter, at serien er udgået

Andre egenskaber: 

  • Elegant design: Med sin minimalistiske silhuet og den L-formede tud passer armaturet perfekt under overskabe
  • Rustfrit stål-look: Overfladen er af høj kvalitet og takket være en speciel teknologi også ekstra modstandsdygtig og ridsefast (PVD)
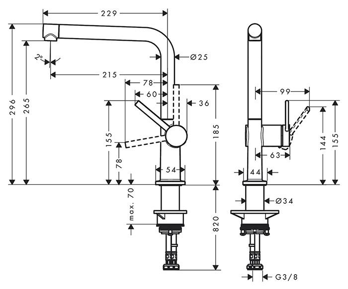
  • Større bevægelsesfrihed: 265 mm afstand mellem tud og vask samt en svingtud, der kan indstilles i fire trin (60°, 110°, 150° eller 360°)
  • Fuld ydelse: med op til 8 l/min fyldes også store gryder hurtigt
  • Ekstra lang levetid: Udstyret med letgående keramisk kartusche i høj kvalitet fra hansgrohe
  • Let at rengøre: Kalk fjernes uden besvær ved at gnubbe på silikoneindsatsen på tuden (QuickClean)
  • Egnet til gennemstrømsvarmere: Dette armatur er særlig alsidigt
  • Nem installation: Fleksible slanger (G ⅜) forbinder armaturet til vandtilslutningerne. Hanehul på 35 mm kræves
  • Leveringsomfang: 1-grebs køkkenarmatur, tilslutningsslanger, bespændingssæt, monteringsvejledning
  • Alle dele er fremstillet af materialer i højeste kvalitet – af hensyn til sikkerhed og bæredygtighed
  • 5 års produktgaranti og fremstillet i overensstemmelse med de højeste kvalitetsstandarder
  • hansgrohe siden 1901 – Premiummærket, der står for pålidelige badeværelses- og køkkenprodukter

Specifikationer: 

  • ComfortZone 270
  • L-tud
  • svingningsområde kan justeres i 4 trin på 60°, 110°, 150° eller 360°
  • laminarstråle
  • maks. gennemstrømningsmængde ved 3 bar: 8,4 l/min
  • keramisk kartusche
  • G ⅜-slangetilslutning
  • justerbar temperaturbegrænsning
  • hanehul på Ø 35 mm kræves
 
VIND gavekort på 1000 kr!
Tilmeld dig vores nyhedsbrev. Vinder for marts: Bjarne Fyhn
Navn: 
E-mail: